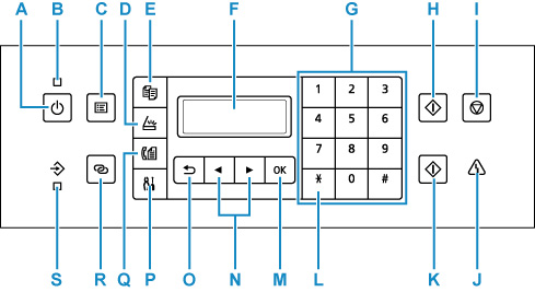
Панель керування

- A: Кнопка УВІМК. (ON)
-
Вмикає та вимикає живлення. Перш ніж увімкнути живлення, обов’язково закрийте кришку для притиснення документів.
- B: Індикатор УВІМК. (ON)
- Спочатку блимає, а потім світиться, коли вмикається живлення.
- C: Кнопка МЕНЮ (MENU)
- Відкриває екран Меню копіювання (Copy menu), Меню сканування (Scan menu) або Меню ФАКС (Fax menu).
- D: Кнопка СКАН. (SCAN)
- Перемикає принтер у режим сканування.
- E: Кнопка КОПІЯ (COPY)
- Перемикає принтер у режим копіювання.
- F: РК-дисплей (рідкокристалічний)
- Слугує для відображення повідомлень, пунктів меню та робочого стану.
- G: Цифрові кнопки
- Слугують для введення цифрових значень (наприклад кількості копій, факсимільних або телефонних номерів) і символів.
- H: Кнопка Чорний (Black)
- Розпочинає копіювання, сканування, передавання факсів тощо в чорно-білому режимі.
- I: Кнопка Стоп (Stop)
- Скасовує операцію у процесі виконання завдання друку, копіювання, сканування або передавання чи отримання факсу.
- J: Індикатор Попередження (Alarm)
- Світиться або блимає, коли виникає помилка.
- K: Кнопка Колір (Color)
- Розпочинає копіювання, сканування, передавання факсів тощо в кольоровому режимі.
- L: Кнопка Тон (Tone)
- Тимчасово переключає телефон у режим тонального набору, якщо принтер підключено до лінії імпульсного набору.
- M: Кнопка OK
- Дозволяє завершити вибір меню чи параметра. Ця кнопка також використовується для усунення помилки або вилучення документів із ПАПД (пристрою автоматичного подавання).
- N: Кнопки
і 
-
Використовуються для вибору параметрів. За допомогою цих кнопок також можна вводити символи.
- O: Кнопка Назад (Back)
- Повертає РК-дисплей до попереднього екрана.
- P: Кнопка Настроювання (Setup)
- Відображає екран Меню настроювання (Setup menu). За допомогою цього меню можна здійснювати технічне обслуговування принтера або змінювати його параметри. Також використовується для вибору режиму вводу.
- Q: Кнопка ФАКС (FAX)
- Перемикає принтер у режим факсу.
- R: Кнопка Безпроводове підключення (Wireless connect)
- Щоб установити відомості про маршрутизатор безпроводової мережі в принтері безпосередньо зі смартфону чи іншого подібного пристрою (не виконуючи жодних дій на маршрутизаторі), утримуйте цю кнопку.
- S: Індикатор Пам’ять факсу (FAX Memory)
- Світиться, якщо в пам’яті принтера зберігаються отримані або ненадіслані документи.

